ERZ-HPA-1250-1550-34
Ku Band High Power Amplifier
Description
The ERZ-HPA-1250-1550-34 is a Ku Band Amplifier providing up to 34 dBm and a gain of 26 dB. The compact size and modularity makes it ideal for a wide range of applications.
Download
Key Features
- Frequency Range (GHz): 12.50-15.50
- Output Power (dBm): 34
- Small Signal Gain (dB): 26
- Noise Figure (dB): 7
- Bias: Power supply: +12 V, DC Current: 1 A
- Output Saturation Power (dBm): 34
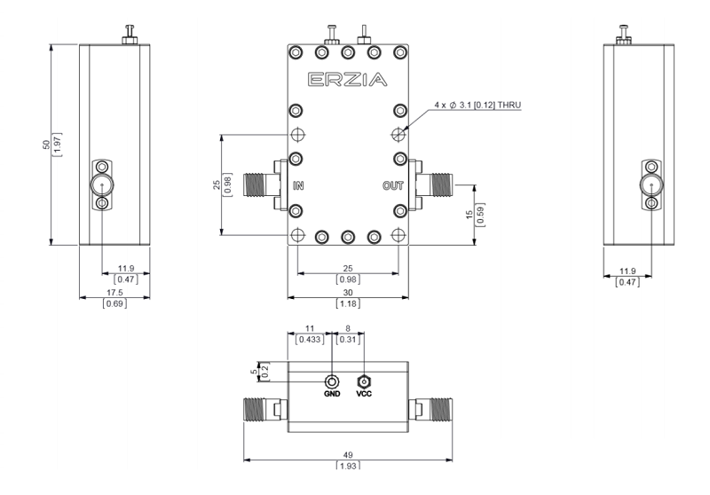
- Package Dimensions: 30x50x17,5 mm
- Connectors: SMA Female
Specifications
| Frequency Start (GHz): | 12.50 |
| Frequency Stop (GHz): | 15.50 |
| Output Power (dBm): | 34 |
| Gain (dB): | 26.00 |
| Gain flatness (dB): | ±1.5 |
| Noise Figure (dB): | 7 |
| VSWR IN: | 2.0:1 |
| VSWR OUT: | 2.0:1 |
| Power supply (V): | 12 ±3 |
| Current (mA): | 1000 |
| Power consumption (W): | 12.5 |
| Temperature (operation) (°C): | -35 to 70 |
| Temperature (storage) (°C): | -55 to 125 |
Applications
Industrial / Laboratory
Satcom / Telecom
Space / Aerospace / Military
Satcom / Telecom
Space / Aerospace / Military
Outline Drawing
Ordering Information
