ERZ-HPA-0200-0400-30
S Band High Power Amplifier
Description
The ERZ-HPA-0200-0400-30 is a High Power Amplifier providing an output power of 30 dBm and a gain of 39 dB. The compact size and modularity makes it ideal for a wide range of applications.
Download
Key Features
- Frequency Range (GHz): 2.00-4.00
- Output Power (dBm): 30
- Small Signal Gain (dB): 39
- Noise Figure (dB): 1.5
- Bias: 15 VDC
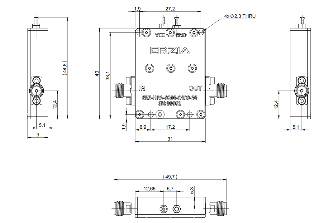
- Package Dimensions: 31x40x9 mm
- Connectors: SMA Female
Specifications
| Frequency Start (GHz): | 2.00 |
| Frequency Stop (GHz): | 4.00 |
| Output Power (dBm): | 30 |
| Gain (dB): | 39.00 |
| Gain flatness (dB): | ±1.5 |
| Noise Figure (dB): | 1.5 |
| VSWR IN: | 1.5:1 |
| VSWR OUT: | 1.1:1 |
| Power supply (V): | 15 |
| Current (mA): | 465 |
| Power consumption (W): | 7 |
| Temperature (operation) (°C): | -30 to 75 |
| Temperature (storage) (°C): | -55 to 125 |
Applications
Industrial / Laboratory
Satcom / Telecom
Space / Aerospace / Military
Satcom / Telecom
Space / Aerospace / Military
Outline Drawing
Ordering Information
