ERZ-LNA-1000-1600-15-2.5
Ku Band Low Noise Amplifier
Description
The ERZ-LNA-1000-1600-15-2.5 is a Low Noise Amplifier that provides a Noise Figure of 2.5 dB with a Gain of 15 dB
Download
Key Features
- Frequency Range (GHz): 10.00-16.00
- Output Power (dBm): 13
- Small Signal Gain (dB): 17
- Noise Figure (dB): 2
- Bias: 12V
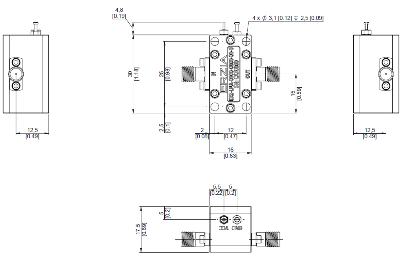
- Package Dimensions: 16x30x17.5 mm
- Connectors: SMA Female
Specifications
| Frequency Start (GHz): | 10.00 |
| Frequency Stop (GHz): | 16.00 |
| Output Power (dBm): | 13 |
| Gain (dB): | 17.00 |
| Gain flatness (dB): | ±1 |
| Noise Figure (dB): | 2 |
| VSWR IN: | 2.0:1 |
| VSWR OUT: | 2.0:1 |
| Power supply (V): | 12 ±4 |
| Current (mA): | 25 |
| Power consumption (W): | 0.3 |
| Temperature (operation) (°C): | -40 to 85 |
| Temperature (storage) (°C): | -55 to 125 |
Applications
Industrial / Laboratory
Satcom / Telecom
Space / Aerospace / Military
Satcom / Telecom
Space / Aerospace / Military
Outline Drawing
Ordering Information
