ERZ-LNA-1000-1100-30-2.5
X Band Low Noise Amplifier
Description
The ERZ-LNA-1000-1100-30-2.5 is a X Band Amplifier providing a gain of 30 dB and a noise figure of 2.5 dB. The compact size and modularity makes it ideal for a wide range of applications.
Download
Key Features
- Frequency Range (GHz): 10.00-11.00
- Output Power (dBm): 18
- Small Signal Gain (dB): 30
- Noise Figure (dB): 2.5
- Bias: 15 ±1 VDC
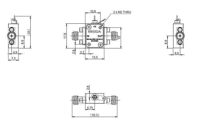
- Package Dimensions: 13.5x17.8x7.3 mm (LxWxH)
- Connectors: SMA Female
Specifications
| Frequency Start (GHz): | 10.00 |
| Frequency Stop (GHz): | 11.00 |
| Output Power (dBm): | 18 |
| Gain (dB): | 30.00 |
| Gain flatness (dB): | ±1 |
| Noise Figure (dB): | 2.5 |
| VSWR IN: | 1.2:1 |
| VSWR OUT: | 1.5:1 |
| Power supply (V): | 15±1 |
| Current (mA): | 200 |
| Power consumption (W): | 1.5 |
| Temperature (operation) (°C): | -40 to 85 |
| Temperature (storage) (°C): | -55 to 125 |
Applications
Industrial / Laboratory
Satcom / Telecom
Space / Aerospace / Military
Satcom / Telecom
Space / Aerospace / Military
Outline Drawing
Ordering Information
