ERZ-HPA-0020-4000-20
Wideband High Power Amplifier
Description
The ERZ-HPA-0020-4000-20 is a High Power Amplifier providing an output power up to 20 dBm and with gain equalization. The compact size and modularity makes it ideal for a wide range of applications.
Download
Key Features
- Frequency Range (GHz): 0.20-40.00
- Output Power (dBm): 20
- Small Signal Gain (dB): 28
- Noise Figure (dB): 10
- Bias: 12±3
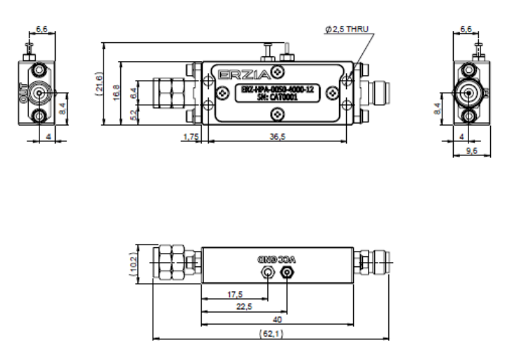
- Package Dimensions: 40 x 20 x 9.6
- Connectors: 2.92 mm Female
Specifications
| Frequency Start (GHz): | 0.20 |
| Frequency Stop (GHz): | 40.00 |
| Output Power (dBm): | 20 |
| Gain (dB): | 28.00 |
| Gain flatness (dB): | - |
| Noise Figure (dB): | 10 |
| VSWR IN: | 2.2:1 |
| VSWR OUT: | 2.2:1 |
| Power supply (V): | 12 ± 3 |
| Current (mA): | 325 |
| Power consumption (W): | 4 |
| Max. Input DC (no damage) (V): | +15 |
| Max. RF input power (dBm): | 15 |
| Temperature (operation) (°C): | -45 to +85 |
| Temperature (storage) (°C): | -55 to +125 |
Applications
Industrial / Laboratory
Satcom / Telecom
Space / Aerospace
Satcom / Telecom
Space / Aerospace
Outline Drawing
