ERZ-LNA-0200-1800-18-5.5
Wideband Low Noise Amplifier
Description
The ERZ-LNA-0200-1800-18-5.5 is a Low Noise Amplifier providing a gain of 18 dB with a noise figure of 3 dB. The compact size and modularity makes it ideal for a wide range of applications.
Download
Key Features
- Frequency Range (GHz): 2.00-18.00
- Output Power (dBm): 19
- Small Signal Gain (dB): 18
- Noise Figure (dB): 3
- Bias: 12 ±2
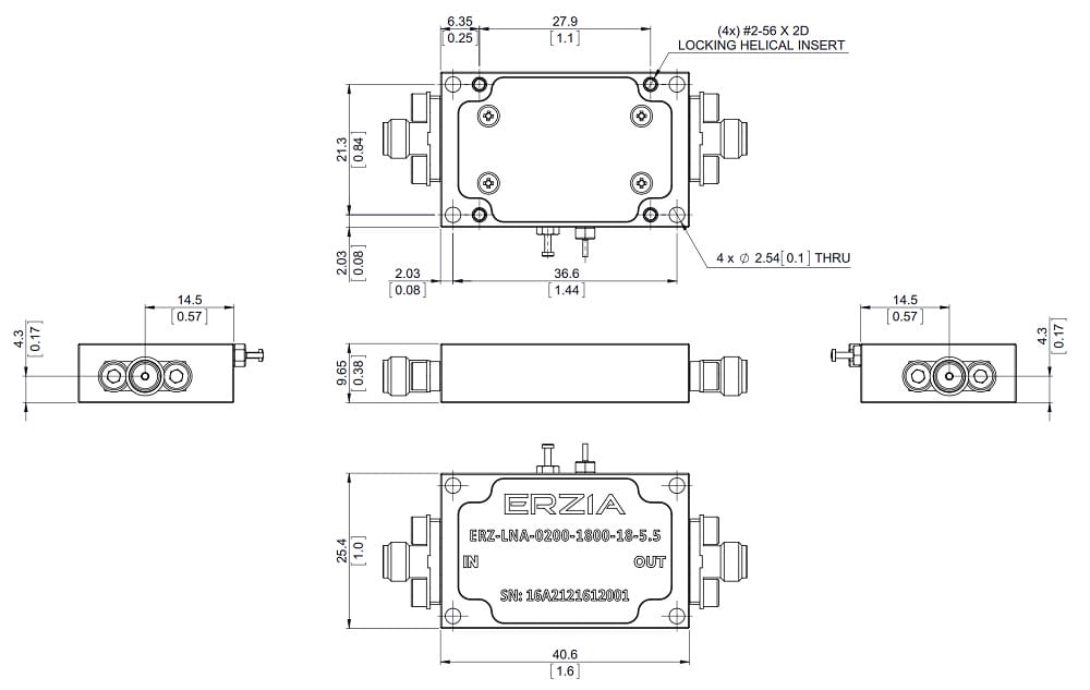
- Package Dimensions: 25.4x40.6x9.65 mm
- Connectors: SMA Female
Specifications
| Frequency Start (GHz): | 2.00 |
| Frequency Stop (GHz): | 18.00 |
| Output Power (dBm): | 19 |
| Gain (dB): | 18.00 |
| Gain flatness (dB): | ±2.5 |
| Noise Figure (dB): | 3 |
| VSWR IN: | 1.5:1 |
| VSWR OUT: | 1.8:1 |
| Power supply (V): | 12±2 |
| Current (mA): | 200 |
| Power consumption (W): | 2.4 |
| Temperature (operation) (°C): | -54 to 85 |
| Temperature (storage) (°C): | -55 to 125 |
Applications
Industrial / Laboratory
Satcom / Telecom
Space / Aerospace / Military
Satcom / Telecom
Space / Aerospace / Military
Outline Drawing
Ordering Information
